产品中心
Product Center

售后服务专线
021-37595596
销售电话:021-37595598
微信号:13651694567
E-mail:13651694567@163.com
QQ:10923728
网址:lhqfsfc.cn
地址:上海市奉贤区奉城镇洪庙洪朱路3060号
021-37595596
销售电话:021-37595598
微信号:13651694567
E-mail:13651694567@163.com
QQ:10923728
网址:lhqfsfc.cn
地址:上海市奉贤区奉城镇洪庙洪朱路3060号
您现在的位置是:网站首页 > 产品中心
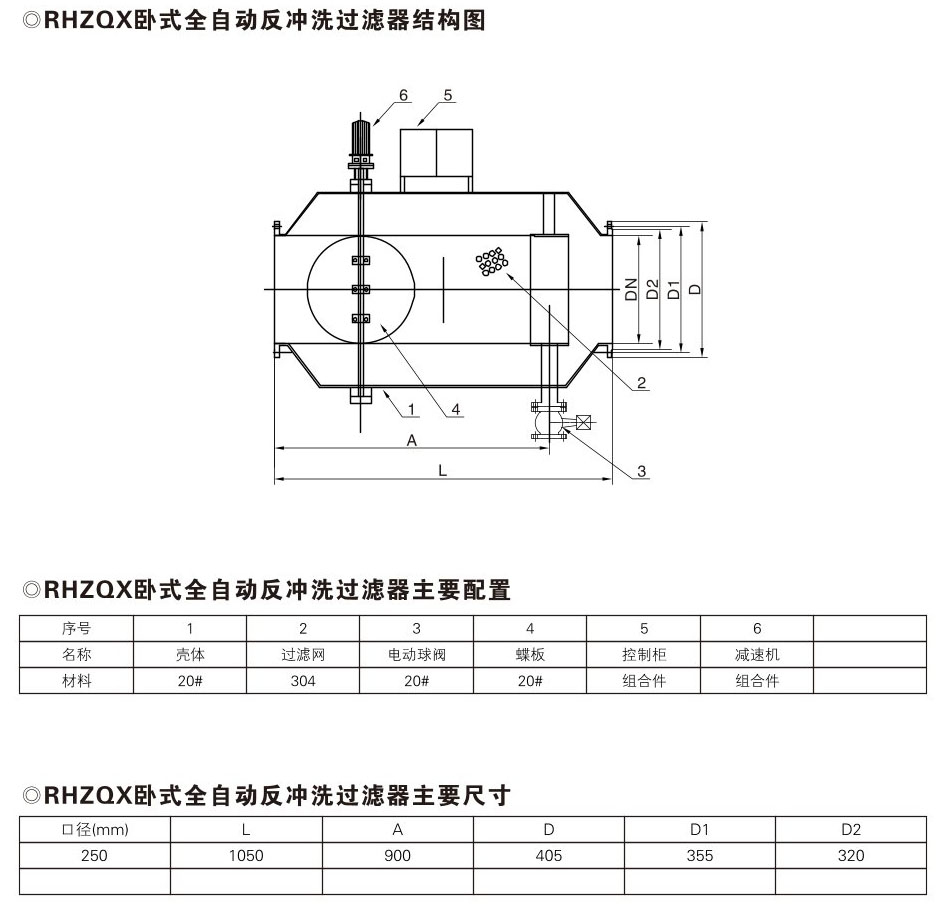
卧式全自动反冲洗过滤器

产品简介:
RHZQX卧式全自动反冲洗过滤器是我公司在借鉴国外水处理技术基础上开发研制的产品。流体强磁过滤器过滤精度300微米-1200微米,压力降小于0.015MPa,其介质切割线产生的电流具有除垢、防垢、杀菌、灭藻及阴极保护功能;并可根据用户需要提供自动排污形式和手动刷洗、手动(放冲洗)排污等多种形式产品。
全自动反冲洗排污过滤器适用于各种供水系统、工艺水系统及工业冷却水系统,特别是24小时连续运行的不停机系统,可以滤去水中的各种机械杂质,确保系统设备的安全可靠运行。是进口过滤器的理想替代产品,各项指标达到进口产品的同等水平。
工作原理:
RHZQX卧式全自动反冲洗过滤器工作原理主要是由优质碳钢筒体、特殊结构的不锈钢楔形滤网、电动执行机构及排污装置所组成。当过滤器工作时,电机执行机构引导蝶阀处于开启状态,水流由入口进入过滤器,经过滤网过滤到出口。当过滤器需要排污时,关闭蝶阀,打开电动排污阀,水流经滤网前半段过滤,部分水流由出口流入系统,剩余水流由滤网后半段外侧流入内侧,经排污口排出,起到反向自动冲洗滤网的作用。这样整个冲洗过程系统可正常运行,无需?;?



